Recent hot search terms

EN
CN

ZH7805

Buck Switching Power Supply Driver with Enable Pin

Relatively stable peak current with minimal shutdown time

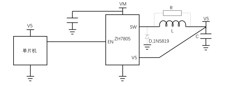
The ZH7805 is a COT (Constant On-Time) Buck Chopper circuit integrating an upper bridge arm MOSFET switch and a lower bridge arm switch for synchronous rectification. The on-time decreases as input voltage increases, maintaining relatively stable peak current. With minimal off-time, the ZH7805 operates exclusively in DCM (Discontinuous Conduction Mode).The ZH7805 requires no compensation capacitor or bootstrap capacitor, achieving chopper buck functionality with minimal external components. The inductor can be a single 10uH power inductor or two 22uH 0805 surface-mount inductors connected in series (total series inductance: 44uH).For low-power applications prioritizing extreme cost efficiency, the inductor can be replaced with a resistor. A 100Ω resistor is recommended, adjusted based on required power. The resistor's power dissipation equals (VM - 5V) multiplied by the output current.

data table ZH7805_CN.pdf

Characteristics and advantages

Input up to 40V

Output voltage 5V, output capability 100mA

COT-Buck architecture

No compensation required, no bootstrap capacitor needed

Features enable pin, post-sleep power consumption <10μA

Provides 1mA output capability after sleep

SOT23-6 package

Ordering Information

Ordering Information Package Pack Quantity
ZH7805KC SOT23-6 Reel 3000

Product Application

Documents and Resources

Semiment Product Selection Guide V1-25Q4.pdf

Selection Guide download
2025-10-22

ZH7805_CN.pdf

Datesheet download
2025-10-29

ZH7805

The ZH7805 is a COT (Constant On-Time) Buck Chopper circuit integrating an upper bridge arm MOSFET switch and a lower bridge arm switch for synchronous rectification. The on-time decreases as input voltage increases, maintaining relatively stable peak current. With minimal off-time, the ZH7805 operates exclusively in DCM (Discontinuous Conduction Mode).The ZH7805 requires no compensation capacitor or bootstrap capacitor, achieving chopper buck functionality with minimal external components. The inductor can be a single 10uH power inductor or two 22uH 0805 surface-mount inductors connected in series (total series inductance: 44uH).For low-power applications prioritizing extreme cost efficiency, the inductor can be replaced with a resistor. A 100Ω resistor is recommended, adjusted based on required power. The resistor's power dissipation equals (VM - 5V) multiplied by the output current.

(021)6408 0230*803