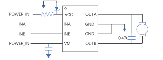
Characteristics and advantages
Single-channel integrated power MOS full-bridge driver
Maximum continuous output current up to 1.8A, peak 2.5A
Over-temperature protection
Low on-resistance (0.2Ω)
Undervoltage protection, short-circuit protection, adaptive dead time
Drives forward, reverse, stop, and brake functions

