Characteristics and advantages
AEC-Q100 Grade0 qualified
ISO26262 ASILB qualified
High-Accuracy rotary absolute angle position detection
Simple magnetic circuit design
-40℃ to 160℃ operating temperature range
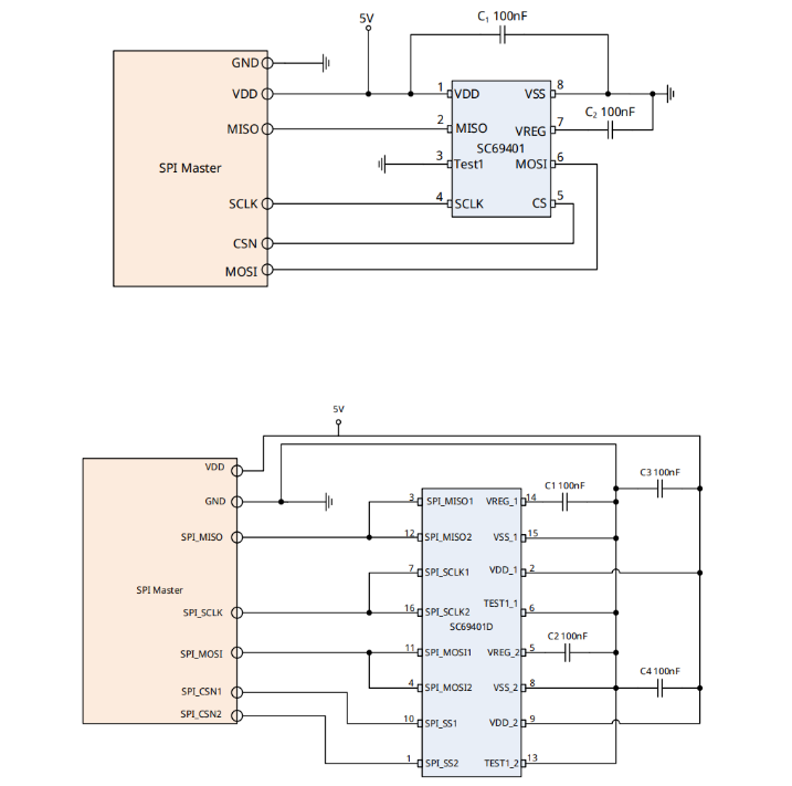
Output modes: Analog, PWM, SPI
Programmable angular measuring range(angles up to 360 degrees)
Programmable linear transmission characteristics (any 4-points, 8-points, or range-selectable 16-segments, 32-segments equally divide curves)
32-bit programmable user ID
Differential Hall sensing to resist stray magnetic field interference
Disconnect diagnostics (broken VDD, broken VSS)
Over-current and over-voltage protection; under-voltage detection
Package:SOP8,eTSSOP-16L

