Recent hot search terms

EN
CN

SC2526-SD

Dual-Channel Hall Effect Switch with Speed and Direction Outputs

Latch Position、Ultra-High Voltage Withstand、Reverse battery protection

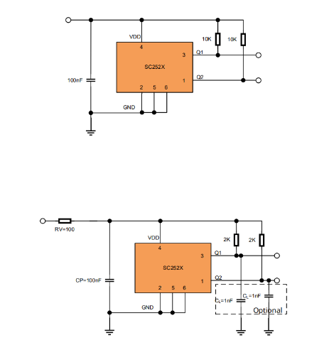
SC252X is a Dual-Channel Hall effect sensor which is designed and manufactured at the advanced 60V BCD process platform. It is ideally suited for speed and direction sensing applications containing encoded ring magnet targets. Precise magnetic switching points and high temperature stability are achieved by adopting active compensation circuits and chopper techniques. For Speed + Direction output option, they provide a speed signal at Q2 for every magnetic pole pair and a direction information at Q1, which is provided 400ns before the speed signal, And for Speed + Speed output option, both Q2 and Q1 are speed signal with 90°phase difference.

data table SC2526-AB_EN.pdf

Characteristics and advantages

2.8V to 40V supply voltage operation

Wide operating temperature range:-40℃ to 150℃

Output Function Option:Speed + Direction

Reverse battery protection: -27V

Excellent matching between the 2 Hall probes

Hall plate distance: 1.33mm

The optimum magnetic pitch for 90°phase difference: 2.8mm

Direction signal switches before the speed signal: 400ns

Output Current Limitation: 40mA

Multiple packaging forms are available:SOT23-6L(S6)、TO-94(VB)、TO-94(PCB-Less)

Ordering Information

Ordering Information Mark Output BOP(GS) BRP(GS) Ambient, (℃) Package Pack Quantity
SC2527S6-SD-TR-Q 2527 SD 30 -30 -40~150 SOT23-6L Reel 3000/reel
SC2527S6-AB-TR-Q 2527 AB 30 -30 -40~150 SOT23-6L Reel 3000/reel
SC2526VB-SD-BK-Q 2526 SD -30 30 -40~150 TO-94 Bulk 500/bag
SC2526VB-AB-BK-Q 2526 AB -30 30 -40~150 TO-94 Bulk 500/bag
SC2526CVB-AB-BK-Q 2526C AB -30 30 -40~150 TO-94 Bulk 500/bag

Product Application

Documents and Resources

Semiment Product Selection Guide V1-25Q4.pdf

Selection Guide download
2025-10-22

SC2526-AB_EN.pdf

Datesheet download
2025-10-22

SC2526-SD

SC252X is a Dual-Channel Hall effect sensor which is designed and manufactured at the advanced 60V BCD process platform. It is ideally suited for speed and direction sensing applications containing encoded ring magnet targets. Precise magnetic switching points and high temperature stability are achieved by adopting active compensation circuits and chopper techniques. For Speed + Direction output option, they provide a speed signal at Q2 for every magnetic pole pair and a direction information at Q1, which is provided 400ns before the speed signal, And for Speed + Speed output option, both Q2 and Q1 are speed signal with 90°phase difference.

(021)6408 0230*803