近期搜索热词

CN
EN

SC9625VB

电压型方波输出高精度速度传感器IC

高灵敏度、差分霍尔、过零输出翻转

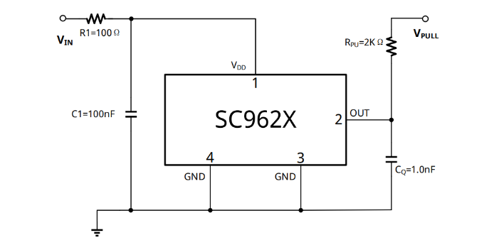
差分霍尔效应传感器IC SC962X内部有2个霍尔感应点,其感应到的磁场会进行差分运算,使芯片具有高灵敏度检测气隙大的特性。可检测磁环或者背磁检测齿轮。具有较宽的工作电压范围和工作温度范围,以及较高的EMC鲁棒性,通过AECQ100 Grade0考核,所以非常适用于汽车中的速度检测,如曲轴传感器,变速箱。 SC9625是在差分磁场达到正负阈值时翻转,从而具有背出色的重复性和精度。背磁检测齿轮,翻转点在齿边沿。

数据表 SC9625Q_CN.pdf
SC9625_CN.pdf
SC9625Q_EN.pdf
SC9625_EN.pdf

特点和优势

支持过零翻转或阈值翻转

支持南极和北极背磁

检测气隙大

单芯片解决方案

宽工作电压范围:3.8V~26V

宽工作温度范围:-40℃C~150℃C

所有引脚有过压保护

电源端有防反接保护

AEC-Q100 Grade0汽车级认证

封装形式:TO-94

订货信息

产品名称 丝印 翻转方式 等级 温度范围(℃) 封装外形 包装方式 数量
SC9621VB-BK 9621 过零 - -40 ~ 150 TO-94 散包 500颗/袋
SC9621VB-TR-Q 9621 过零 Q -40 ~ 150 TO-94 编带 2000颗/盘
SC9625VB-BK 9625 阈值 - -40 ~ 150 TO-94 散包 500颗/袋
SC9625VB-TR-Q 9625 阈值 Q -40 ~ 150 TO-94 编带 2000颗/盘

产品应用

曲轴位置传感器

文档和资源

赛卓电子产品选型手册V1-25Q4.pdf

Selection Guide 下载
2025年 10月 22日

SC9625Q_CN.pdf

Datesheet 下载
2026年 4月 28日

SC9625_CN.pdf

Datesheet 下载
2026年 4月 28日

SC9625Q_EN.pdf

Datesheet 下载
2026年 4月 28日

SC9625_EN.pdf

Datesheet 下载
2026年 4月 28日

SC9625VB

差分霍尔效应传感器IC SC962X内部有2个霍尔感应点,其感应到的磁场会进行差分运算,使芯片具有高灵敏度检测气隙大的特性。可检测磁环或者背磁检测齿轮。具有较宽的工作电压范围和工作温度范围,以及较高的EMC鲁棒性,通过AECQ100 Grade0考核,所以非常适用于汽车中的速度检测,如曲轴传感器,变速箱。 SC9625是在差分磁场达到正负阈值时翻转,从而具有背出色的重复性和精度。背磁检测齿轮,翻转点在齿边沿。

(021)6408 0230*803