特点和优势
输入电压范围:3.1V -20V
输出电压范围 0.6V to 5.5V或5V to 12V
负载能力: 每个通道6A
基准电压:0.6V ±1%(全温精度)
开关频率范围:500kHz to 4MHz
支持实时结温监测模拟输出
可编程软启动
优秀的外时钟同步功能
快速的负载动态响应能力
内部时钟错相180度,支持两相并联或双路独立运行
支持外时钟同步(4相并联)
支持CCM和DCM工作模式
QFN封装:QFN-34(4mm*5mm)
特点和优势
输入电压范围:3.1V -20V
输出电压范围 0.6V to 5.5V或5V to 12V
负载能力: 每个通道6A
基准电压:0.6V ±1%(全温精度)
开关频率范围:500kHz to 4MHz
支持实时结温监测模拟输出
可编程软启动
优秀的外时钟同步功能
快速的负载动态响应能力
内部时钟错相180度,支持两相并联或双路独立运行
支持外时钟同步(4相并联)
支持CCM和DCM工作模式
QFN封装:QFN-34(4mm*5mm)
订货信息
| Ordering Information | Mark | Option | Temperature Range | Package | Pack | Quantity |
|---|---|---|---|---|---|---|
| VE2266QH-L-TR | 2266L | L | -40 to +125°C | QFN4x5-28 | TR | 5000 |
| VE2266QH-H-TR | 2266H | H | -40 to +125°C | QFN4x5-28 | TR | 5000 |
| VE2266P | -40 to +125°C |
产品应用
电源模块
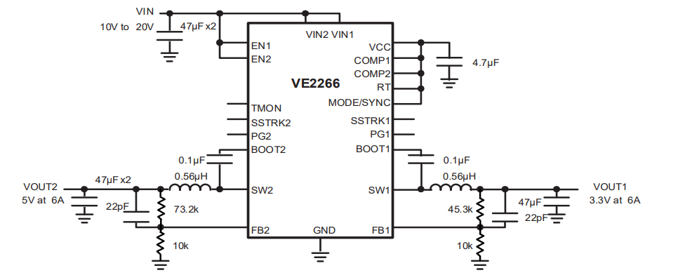
VE2266 是一款高效率双通道单片同步降压稳压器,采用可控导通时间电流模式架构。其工作电源电压范围为 3.3V 至 20V,每个通道提供达6A的负载能力,适用于锂离子电池组以及 12V 或 5V 输入的负载点电源应用。
在LinkedIn和微信上关注我们,了解我们的最新资讯和创新。