近期搜索热词

CN
EN

SC69510TG

车规级可穿轴的高精度电感式位置传感器芯片

非接触式位置传感器、丰富的输出接口

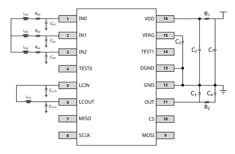
SC69510 是一个车规级可穿轴的高精度电感式位置传感器芯片。配合合理的线圈设计,可以计算出转子的绝对位置(如 0至 360 度的旋转位置)或者绝对线性位置。满足汽车和工业应用场景中所涉及的非接触式位置传感器。SC69510 提供丰富的输出接口,包含12bits Analog输出,16bits PWM输出和标准协议SENT输出。

数据表 SC69510TG_CN.pdf
SC69510TG_EN.pdf

特点和优势

符合AEC-Q100标准

符合ISO26262功能安全ASIL-B

基于电感式编码器原理开发的对应信号处理IC可穿轴

宽工作温度范围:-40°C到150°C高耐压:40V

可选输出模式:模拟,PWM,符合SAEJ2716标准的SENT输出

可编程线性传输特性,支持任意4点、8点或范围可选的16段、32段等分曲线

集成正余弦信号自校准功能

32位可编程用户ID

丰富的片上诊断功能

断线诊断(VDD开路,VSS开路)

过流、过压保护;欠压检测

TSSOP-16无卤素封装

订货信息

产品名称 丝印 选项 等级 温度范围(℃) 封装外形 包装方式 数量
SC69510TG-DAC-TR-Q 69510 DAC Q -40℃~150℃ TSSOP-16 编带 3000颗/盘
SC69510TG-DAC-TR 69510 DAC - -40℃~150℃ TSSOP-16 编带 3000颗/盘
SC69510TG-PWM-TR-Q 69510 PWM Q -40℃~150℃ TSSOP-16 编带 3000颗/盘
SC69510TG-PWM-TR 69510 PWM - -40℃~150℃ TSSOP-16 编带 3000颗/盘
SC69510TG-SENT-TR-Q 69510 SENT Q -40℃~150℃ TSSOP-16 编带 3000颗/盘
SC69510TG-SENT-TR 69510 SENT - -40℃~150℃ TSSOP-16 编带 3000颗/盘
SC69510TG-SPI-TR-Q 69510 SPI Q -40℃~150℃ TSSOP-16 编带 3000颗/盘
SC69510TG-SPI-TR 69510 SPI - -40℃~150℃ TSSOP-16 编带 3000颗/盘

产品应用

电子油门踏板

线控制动踏板

电子油门踏板

EGR阀

发动机电子节气门

涡轮增压器执行器

TAS/TOS

文档和资源

赛卓电子产品选型手册V1-25Q4.pdf

Selection Guide 下载
2025年 10月 22日

SC69510TG_CN.pdf

Datesheet 下载
2025年 10月 24日

SC69510TG_EN.pdf

Datesheet 下载
2025年 10月 24日

SC69510TG

SC69510 是一个车规级可穿轴的高精度电感式位置传感器芯片。配合合理的线圈设计,可以计算出转子的绝对位置(如 0至 360 度的旋转位置)或者绝对线性位置。满足汽车和工业应用场景中所涉及的非接触式位置传感器。SC69510 提供丰富的输出接口,包含12bits Analog输出,16bits PWM输出和标准协议SENT输出。

(021)6408 0230*803