近期搜索热词

CN
EN

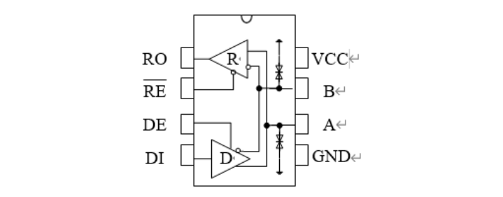
SI485E

15Mbps 通信收发器

慢速限制差分收发器、ESD保护功能

SI485 3V至55 V供电,士15kV防静电,慢速限制差分收发器,提供完整的RS485兼容性,用于半双工通信。每个部分包含一个驱动器和一个接收器,设计用于扩展共模范围(-7V 至 12V)的数据传输。SI485 传输的数据速率高达 15Mbps。

数据表 SI485_CN.pdf

特点和优势

高通讯速率,3.3V和5V供电15Mbps

高 ESD 防护能力

低功耗低至 1uA 电流,关断模式

-7V-+12V 共模输入电压范围

总线连接多达 256 节点

热关断保护功能

驱动过载保护功能

全故障保护(开路,短路等)

订货信息

型号 包装 封装 工作温度
SI485EDC-TR 卷带, 3000 颗/卷 SOP-8 -40℃ ~ 160℃

产品应用

文档和资源

赛卓电子产品选型手册V1-25Q4.pdf

Selection Guide 下载
2025年 10月 22日

SI485_CN.pdf

Datesheet 下载
2025年 10月 24日

SI485E

SI485 3V至55 V供电,士15kV防静电,慢速限制差分收发器,提供完整的RS485兼容性,用于半双工通信。每个部分包含一个驱动器和一个接收器,设计用于扩展共模范围(-7V 至 12V)的数据传输。SI485 传输的数据速率高达 15Mbps。

(021)6408 0230*803