近期搜索热词

CN
EN

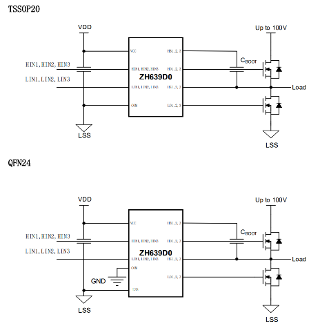
ZH639D0

三相栅极驱动器

100V三相、半桥栅极

ZH639D0是一款功率MOSFET(NN)和IGBT的低压,高速三相半桥栅极驱动器。集成三路高边和低边施密特输入,三路带有内部自适应死区时间的输出通道,以避免交叉传导。输出模块集成了拉灌平衡电路,系统中与功率管栅极间无需串接电阻二极管。高低边的输出由输入独立控制,高压侧设置了欠压保护功能。

数据表 ZH639D0_EN.pdf

特点和优势

AEC-Q100

最高工作频率500kHz

输出等效电流能力2.5A

集成自举二极管

逻辑输入电平兼容3.3V/5V

驱动三相N沟道MOS或IGBT

高边悬浮自举电源设计,耐压120V

依负载自适应死区控制电路

高边欠压保护,内置闭锁防止直通功能

集成拉灌平衡电路,与功率管栅极无需电阻二极管

订货信息

全称 封装 包装 包装数量
ZH639D0JT TSSOP20 Reel 4000
ZH639D0NU QFN24 Reel 4000

产品应用

电剪刀电机驱动

电钻、扳机电机驱动

文档和资源

赛卓电子产品选型手册V1-25Q4.pdf

Selection Guide 下载
2025年 10月 22日

ZH639D0_EN.pdf

Datesheet 下载
2025年 10月 24日

ZH639D0

ZH639D0是一款功率MOSFET(NN)和IGBT的低压,高速三相半桥栅极驱动器。集成三路高边和低边施密特输入,三路带有内部自适应死区时间的输出通道,以避免交叉传导。输出模块集成了拉灌平衡电路,系统中与功率管栅极间无需串接电阻二极管。高低边的输出由输入独立控制,高压侧设置了欠压保护功能。

(021)6408 0230*803