特点和优势
基于 IMC 3D 感应原理,可选 XY/XZ/YZ 平面的角度和直线位移检测,以及 XYZ 的 3D 位置检测
宽工作温度范围:-40°C到160°C
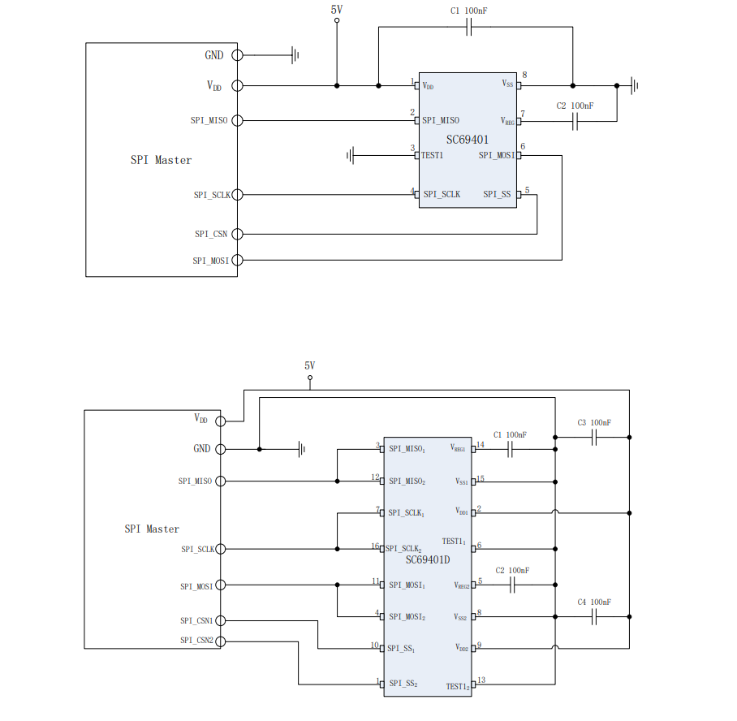
可选输出模式: 模拟输出、脉宽调制 PWM 输出、数字 SPI输出,符合SAEJ2716 标准的SENT 输出,以及2线电流型 PSI5(V2.3) 输出
可编程线性传输特性 (任意 4 点、8 点或者范围可选的 16 段、32 段等分曲线)
32 位可编程用户 ID
丰富的片上诊断功能
断线诊断 (VDD 开路,VSS 开路)
过流、过压保护;欠压检测
符合 AEC_Q100 标准
符合 ISO26262 功能安全 ASIL B
单路芯片 SOP-8 和双路冗余芯片 TSSOP-16 封装形式以及 SIP3 封装-无铅,均符合欧盟 RoHS有害物质要求

