近期搜索热词

CN
EN

SC2450-M

高性能全极微功耗开关霍尔

微功耗高压全极、高灵敏度

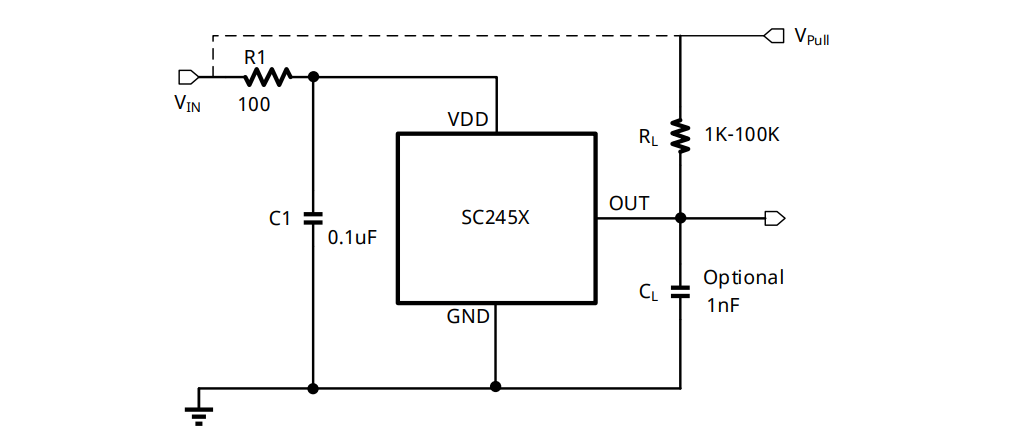
SC245X是采用BiCMOS技术生产的斩波稳定的霍尔效应传感器,提供具有高灵敏度、温度稳定性和综合保护功能的磁传感解决方案。内部集成的稳压电路使芯片可接受2.5V到48V的宽电源供电电压,满足工业和汽车电子的应用需求。

数据表 SC2450Q_CN.pdf
SC2450Q_EN.pdf

特点和优势

AEC-Q100

ISO26262 ASIL-B SEooC

平均工作电流<20uA

电源反接保护最高28V

温度稳定性好

工作电压范围3.0V~40V

订货信息

Part Number Marking BOP(Gs) BRP(GS) Ambient, (℃) Package Packing Quantity
SC2450SO-L-TR-Q 2450 ±25 ±15 -40~150 SOT23-3L TR 3000/reel
SC2450SO-LI-TR-Q 2450 ±25 ±15 -40~150 SOT23-3L TR 3000/reel
SC2450UA-L-BK-Q 2450 ±25 ±15 -40~150 TO-92S BK 1000/bag
SC2450UA-LI-BK-Q 2450 ±25 ±15 -40~150 TO-92S BK 1000/bag
SC2450SO-M-TR-Q 2450 ±25 ±15 -40~150 SOT23-3L TR 3000/reel
SC2450UA-M-BK-Q 2450 ±25 ±15 -40~150 TO-92S BK 1000/bag
SC2451SO-TR-Q 2451 +100 +85 -40~150 SOT23-3L TR 3000/reel
SC2452SO-TR-Q 2452 +180 +130 -40~150 SOT23-3L TR 3000/reel
SC2455SO-TR-Q 2455 +255 +200 -40~150 SOT23-3L TR 3000/reel
SC2455UA-BK-Q 2455 +255 +200 -40~150 TO-92S BK 1000/bag
SC2459SO-TR-Q 2459 Programmable Programmable -40~150 SOT23-3L TR 3000/reel
SC2459UA-BK-Q 2459 Programmable Programmable -40~150 TO-92S BK 1000/bag
SC2459SO-L-TR-Q 2459 Programmable Programmable -40~150 SOT23-3L TR 3000/reel
SC2459UA-L-BK-Q 2459 Programmable Programmable -40~150 TO-92S BK 1000/bag

产品应用

组合开关

文档和资源

赛卓电子产品选型手册V1-25Q4.pdf

Selection Guide 下载
2025年 10月 22日

SC2450Q_CN.pdf

Datesheet 下载
2026年 4月 28日

SC2450Q_EN.pdf

Datesheet 下载
2026年 4月 28日

赛卓电子汽车组合开关应用方案.pdf

Application Note 下载
2026年 1月 16日

SC2450-M

SC245X是采用BiCMOS技术生产的斩波稳定的霍尔效应传感器,提供具有高灵敏度、温度稳定性和综合保护功能的磁传感解决方案。内部集成的稳压电路使芯片可接受2.5V到48V的宽电源供电电压,满足工业和汽车电子的应用需求。

(021)6408 0230*803