近期搜索热词

CN
EN

SC2526-SD

速度+方向输出的双通道霍尔效应开关

锁存开关、超高耐压、反向保护

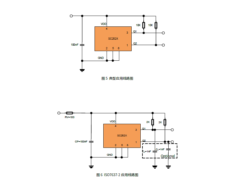
SC252X 系列是双路霍尔效应开关产品,基于60VBCD 工艺平台设计制造,适合在包含有环形磁场,需要检测速度和方向的应用中。温度补偿和斩波技术的运用在全工作温度范围内保证了精确的磁场翻转点。对速度+方向输出选项,每个磁对极在 Q2产生一个速度信号,在 Q1 产生一个方向信号,方向信号超前速度信号400ns。而对于速度+速度输出选项,Q2 和 Q1的输出是相位差为 90°的速度信号。

数据表 SC2526-SD_EN.pdf
SC2526-SD_CN.pdf

特点和优势

宽电压范围2.8V~40V

宽工作温度范围:-40℃ 至 150℃

速度+方向输出

反向电压保护:-27V

稳定的磁场翻转点

双通道的翻转点匹配

霍尔版间距: 1.33 mm

90°相差最佳磁极间距:2.8mm

方向信号超前速度信号:400ns

带限流保护功能的漏极开路输出: 40mA

多种封装形式可选:SOT23-6L(S6)、TO-94(VB)、TO-94(PCB-Less)

订货信息

产品名称 丝印 选项 BOP(GS) BRP(GS) 工作温度(℃) 封装形式 包装形式 数量
SC2527S6-SD-TR-Q 2527 SD 30 -30 -40~150 SOT23-6L 编带 3000 颗/盘
SC2527S6-AB-TR-Q 2527 AB 30 -30 -40~150 SOT23-6L 编带 3000 颗/盘
SC2526VB-SD-BK-Q 2526 SD -30 30 -40~150 TO-94 散包 500颗/袋
SC2526VB-AB-BK-Q 2526 AB -30 30 -40~150 TO-94 散包 500颗/袋
SC2526CVB-AB-BK-Q 2526C AB -30 30 -40~150 TO-94 散包 500颗/袋

产品应用

文档和资源

赛卓电子产品选型手册V1-25Q4.pdf

Selection Guide 下载
2025年 10月 22日

SC2526-SD_EN.pdf

Datesheet 下载
2025年 10月 22日

SC2526-SD_CN.pdf

Datesheet 下载
2025年 10月 22日

赛卓开关霍尔在玻璃升降器的应用.pdf

Application Note 下载
2025年 12月 26日

赛卓电子座椅电机应用方案.pdf

Application Note 下载
2025年 12月 26日

SC2526-SD

SC252X 系列是双路霍尔效应开关产品,基于60VBCD 工艺平台设计制造,适合在包含有环形磁场,需要检测速度和方向的应用中。温度补偿和斩波技术的运用在全工作温度范围内保证了精确的磁场翻转点。对速度+方向输出选项,每个磁对极在 Q2产生一个速度信号,在 Q1 产生一个方向信号,方向信号超前速度信号400ns。而对于速度+速度输出选项,Q2 和 Q1的输出是相位差为 90°的速度信号。

(021)6408 0230*803