近期搜索热词

CN
EN

SC9388T3

可编程、高精度凸轮轴位置传感器芯片

TPOS、相位可编程、3线电压型输出

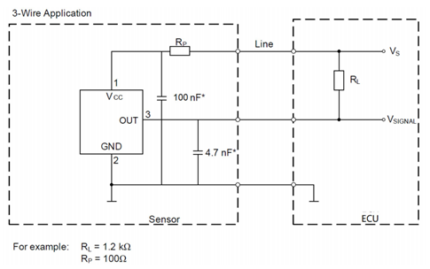
SC9388T3 是一款基于霍尔技术、非接触式的三线电压型凸轮轴位置传感器芯片。它可实现凸轮轴相位的高精度检测,同时支持 EOL编程和 Auto-TPO 功能,可达到0.1°的相位精度,满足新排放标准发动机的应用需求。

数据表 SC9388Q_CN.pdf
SC9388Q_EN.pdf

特点和优势

0.1°相位精度

64 档相位可编程

抖动抑制功能

动态自矫正功能

支持PCB-LESS封装

符合AEC-Q100 车规认证

适用于混动、增程车型发动机特殊工况

订货信息

Ordering Information Marking Ambient, TA(℃) Package Packing Quantity
SC9388T3-TR-Q 9388 -40 ~ 150 TS-3 Tape & reel 1500 /reel

产品应用

凸轮轴相位传感器

文档和资源

赛卓电子产品选型手册V1-25Q4.pdf

Selection Guide 下载
2025年 10月 22日

SC9388Q_CN.pdf

Datesheet 下载
2026年 4月 28日

SC9388Q_EN.pdf

Datesheet 下载
2026年 4月 28日

SC9388T3

SC9388T3 是一款基于霍尔技术、非接触式的三线电压型凸轮轴位置传感器芯片。它可实现凸轮轴相位的高精度检测,同时支持 EOL编程和 Auto-TPO 功能,可达到0.1°的相位精度,满足新排放标准发动机的应用需求。

(021)6408 0230*803